购物车中还没有产品,赶紧去选购吧!
Configuration
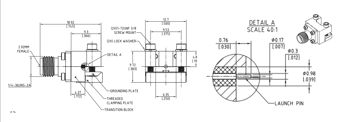
Connector 1
2.92 Female
Connector Body
Stainless Steel Passivation
Connector Conductor
Beryllium Copper, Gold
Insulation
PEI
Electrical Specifications
Impedance
50Ω
Frequency Range
10MHz~40GHz
VSWR
≤1.35
Dielectric Withstand Voltage
500Vrms
Insertion Loss
≤0.03√f(GHz)dB,DC-40GHz
Environment Data
Working Temperature
-40℃ ~ +155℃
电话:13488760774
邮箱:sales@szyuge.com
您可以获得: 1.更高效的沟通体验 2.更快速的报价通知 3.更方便的接询单体验