购物车中还没有产品,赶紧去选购吧!
Configuration
Connector 1
2.92公头
Connector 2
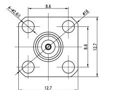
2.92母头四孔法兰,孔距8.6mm
Cable Diameter
2.4-2.6mm
Electrical Specifications
Impedance
50Ω
Frequency Range
DC-40GHz
VSWR
≤1.3
Insertion Loss
datasheet
Environment Data
Working Temperature
-40℃ ~ +125℃
Mechanical properties
Bending Radius
26mm
电话:13488760774
邮箱:sales@szyuge.com
您可以获得: 1.更高效的沟通体验 2.更快速的报价通知 3.更方便的接询单体验